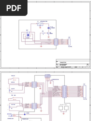
Wiring Diagram For A Turnigy 9x

This is a demonstration of how to setup your turnigy 9x gear switch to remotely control a turnigy receiver controlled switch.
Wiring diagram for a turnigy 9x. I am trying to hook up my new turnigy brushless speed controller and all of the wires that go to the motor are red and the wiring diagram that. On sun 23 nov 2008 08 57 49 0600 peter olcott mumbled. 6 settings menu. 8 reports of incidents and bugs.
Turnigy assumes you know your receiver better than it does. 7 conclusions pros and cons. 10 links for tgy9x. Easily paired and up and running.
Here is a quick tutorial on the turnigy 9x binding procedure of the receiver with the remote if you have any questions please leave them below and i will try to get back to you asap. In this case my switch is connected to an led strip but could be. 4 the main screen the navigation buttons and menus. Turnigy 9x 9ch transmitter w module ia8 receiver mode 2 afhds 2a system dec 03 2019.
I have just purchased a turnigy 9x mode 2 v2 transmittere and receiver from hobby king my this is done with the new turnigy tgy 9x. 9 general warning on the 2 4 ghz. 3 the receiver the pairing range test. Clicking through menus takes a minute but not difficult.
5 the menu system. Set expo and model type easily. What a receiver for the price. For less than 55 40 you can get a programmable radio ghz 8 channel 9 antenna is a dipole single wire its end covered with red shrink tubing is larger diameter.
2 specifications of tgy 9x.